


MSO8000HDP系列/MSO8804HDP/MSO8604HDP
优利德
MSO8000HDP系列是面向工业电子与科研场景的全新高分辨率示波器,含MSO8804HDP(8GHz)、MSO8604HDP(6GHz)两款4通道型号,以每通道20GSa/s采样率、4Gpts/CH存储深度为硬件基础,搭配12bitADC+4bitERes高分
MSO8000HDP 系列是面向工业电子与科研场景的全新高分辨率示波器,含 MSO8804HDP(8GHz)、MSO8604HDP(6GHz)两款 4 通道型号,以每通道 20GSa/s 采样率、4Gpts/CH 存储深度为硬件基础,搭配 12bit ADC+4bit ERes 高分辨率及 1,000,000wfms/s 高波形捕获率,可精准完成高速数字信号验证、半导体测试、5G 通信等复杂任务,是混合信号分析类测试的优质选择。

MSO8000HDP 系列示波器特点:
模拟通道数:4
模拟带宽:8GHz/6GHz(每通道)
实时采样率:20GSa/s(每通道)
存储深度:4Gpts(每通道)(opt.)
波形捕获率:1,000,000wfms/s
数字通道:60MHz,2CH(opt.)
示波器专用AFE模拟前端芯片组提供非凡性能
12bitADC分辨更清晰
搭载12bit ADC,全通道20GSa/s采样率、4Gpts存储深度
在高动态范围的信号测试中更容易区分小信号细节
高级滤波设计器提供精准实时的数字滤波,快速优化信号质量
并改善系统性能!
利用Matlab强大的数学库,您可以自定义编写数学算法,您可以直接运行Matlab代码,并将结果直接显示在示波器界面中。
同时也提供了增强型FFT、基本运算和几十种高级公式组合编辑,其强大的数学分析功能,满足您更多分析需求!
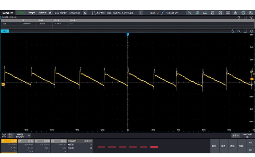
电源完整性分析14+
MSO8000HDP提供全方位电源完整性分析,覆盖:
- 输入分析:电源质量、谐波分析、浪涌电流
- 输出分析:纹波分析、调制分析、效率、启动/关闭时间
- 开关分析:开关损耗、安全工作区、di/dt、dv/dt、RDS(on)
- 频率响应分析:控制环路响应(Bode)、电源抑制比(PSRR)
若您想了解更多,请查阅《高级电源分析》手册
持续更新21+协议分析,软件助力协议解析
支持包参数触发、协议包视图、事件列表、协议搜索 、协议分析报告
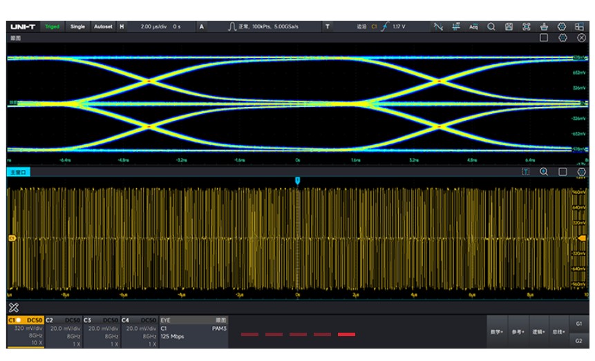
使用MSO8000HDP系列抖动和眼图套件分析高速串行信号完整性
自动化一致性测试软件缩短产品合规性验证时间
一致性分析是确保不同厂家生产的同一类接口的互操作性的唯一途径,但不同接口的一致性测试规范则是由不同协会或机构开发。解读标准并通过人工进行一致性测试需要花费用户几个小时甚至几天时间,优利德一致性分析软件则将这个时间缩短至几分钟内。
通过不断更新和契合最新的行业标准,优利德推出以示波器+有源探头+测试夹具为主的高速协议一致性分析解决方案。
支持的接口协议:
USB2.0、MIPI D-PHY v1.2、100/1000Base-T1、100/1000Base-T