


优利德
MSO5000HD是一款集成了4信号通道、16通道逻辑分析仪和2通道任意波形发生器的高分辨示波器,带宽高达1GHz,最大采样率高达5GSa/s,12bitADC分辨率,提供业界领先的高速信号采样和存储能力。该示波器还配备了500M存储
MSO5000HD是一款集成了4信号通道、16通道逻辑分析仪和2通道任意波形发生器的高分辨示波器,带宽高达1GHz,最大采样率高达5GSa/s,12bit ADC分辨率,提供业界领先的高速信号采样和存储能力。该示波器还配备了500M存储深度,满足长时间录制和分析高速信号的需求。帮助您快速、准确地测量和分析高速信号,满足您在不同应用场景中的需求,如通信、汽车电子、工业自动化、航空航天、医疗设备、科研和电子研发等领域。

-协议分析仪
-波特图分析仪
-高精度频率计
-数字电压表
-电源分析仪
-函数/任意波形发生器
-频谱分析仪
-逻辑分析仪
-示波器

更高的精度、更小的底噪
通过融合12bit ADC与 4bit ERES增强技术
显著提升测量精度,细腻展现波形微细结构
有效抑制带外噪声,降低本底噪声对真实信号的干扰
从而确保在提升采样位数的同时,实现更精确的测量体验

并行阵列映射单元,数据处理速度高达30Gbps
波形捕获率高达800,000wfms/s
顺序模式下达到1,500,000wfms/s

嵌入式:RS-232/422/485/UART、I2C、SPI、
AudioBus(I2S,LJ,RJ,TDM)、I3C
汽车:CAN、CAN-FD、CAN-XL、LIN、FlexRay、SENT
传感器 &RFID:Manchester、1-WIRE
航空航天:MIL-STD-1553、ARINC429
整合最新技术和经典标准
实时协议分析为不同行业提供了全面的专业解决方案
解决数据传输效率和系统稳定性的问题

精准护航信号传输:IIC、SPI、CAN
可在数据总线间提供精确的时序测量
帮助迅速定位脉冲宽度、电压幅度不足、边沿抖动、建立与保持时间偏差及信号回勾等问题

输入分析:电源质量、谐波分析、浪涌电流
输出分析:纹波分析、调制分析、电源效率
开关分析:开关损耗、安全工作区、转换速率、稳定导通电阻
频率响应分析:控制环路响应(Bode)、电源抑制比(PSRR)
为电源系统性能鉴定、稳定性评估与优化
提供全方位、专业化解决方案,提升能源效率与系统稳定性

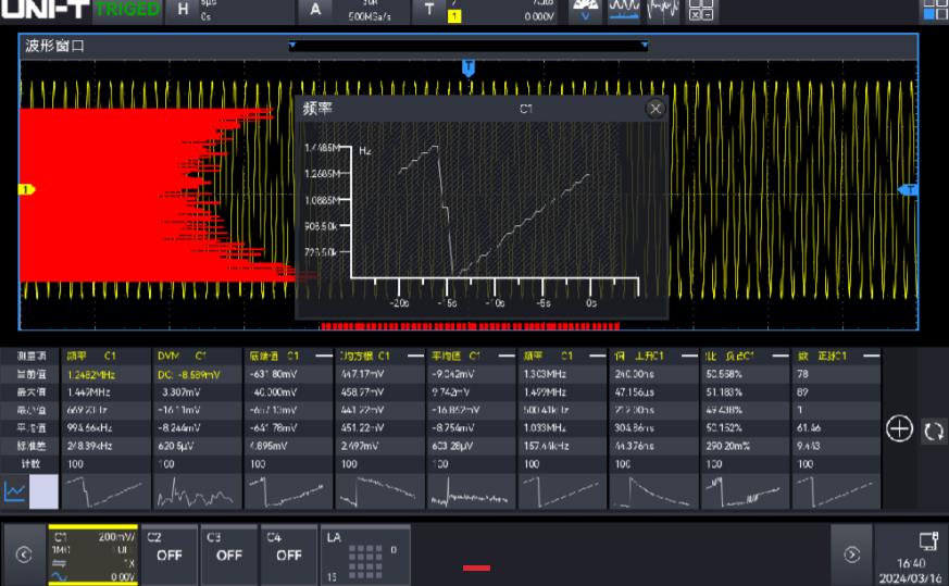
56种精密参数自动测量
覆盖电压、频率、相位、功率等多个维度
整合先进的参数统计与趋势图可视化分析功能
全方位、立体化展现信号特性变化 实现专业级深度洞察与高效数据解读

13种高级触发+15种协议触发
全新极值触发技术,精准锁定信号极值点

无级可调FIR滤波器,还你纯净信号
自由定义滤波频点,高效剔除干扰,直击真实波形
